Bunzilla
Home
NorthernRaider
ThunderRoad
Engineering
Science
Videos
Art and Lit
Bunzilla FAQS
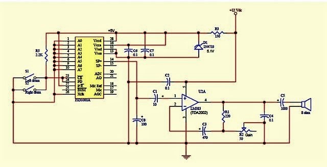
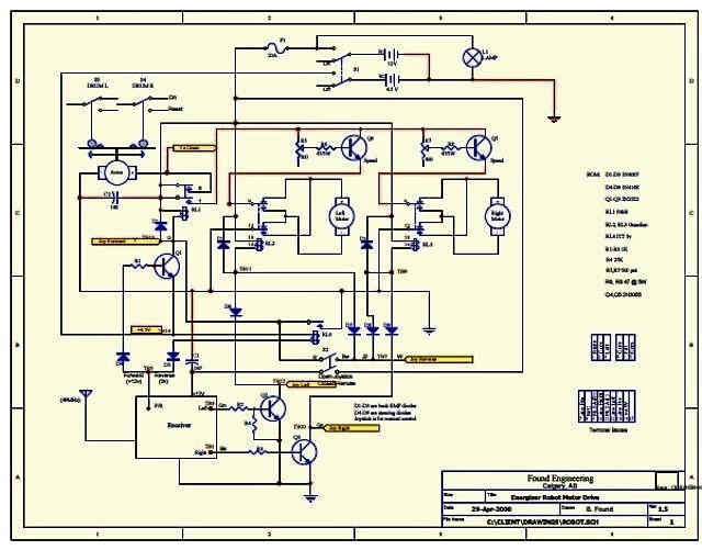
Hover over photo for description